Slimme voertuigelektronica met Inomatic: efficiëntie en betrouwbaarheid voor moderne bedrijfswagens
Bedrijfswagens worden steeds geavanceerder en complexer. Klanten vragen om meer functionaliteit, betrouwbaarheid en duurzaamheid en dit wordt technisch steeds meer uitdagend. Modac BV werkt hiervoor samen met Inomatic GmbH, specialist in innovatieve additionele voertuigelektronica.
Met de oplossingen van Inomatic kunnen wij bedrijven helpen hun voertuigen slimmer, zuiniger en betrouwbaarder te maken en de inbouw efficiënter te laten verlopen
Praktische voordelen voor de gebruiker
- Flexibiliteit in toepassingen – Of het nu gaat om servicevoertuigen, campers of hulpdiensten, er is altijd wel een passende oplossing voorhanden met het brede assortiment van Inomatic
- Hogere betrouwbaarheid – Minder bekabeling, minder verbindingen en foutgevoelige schakelingen betekent minder storingen, minder inbouw uren en een langere levensduur.
- Energiezuinig wagenpark – Slimme accubewaking voorkomt onnodig energieverbruik, verlengt de levensduur van accu’s en vermindert CO₂-uitstoot.
- Sneller onderhoud – Gestandaardiseerde modules maken diagnose en vervanging eenvoudig, waardoor stilstand wordt geminimaliseerd.
Technische voordelen voor installateurs en engineers
Naast de praktische voordelen onderscheiden de systemen van Inomatic zich door een doordachte technische opbouw:
- Modulaire architectuur
Het aantal schakelfuncties, de onderlinge relaties en afhankelijkheden worden ondergebracht in een moderne en modulaire opzet, bestaande uit een bedieneenheid en een interface. De gedragingen van de functies worden geprogrammeerd en kunnen zelfs variëren door inputs te activeren. Dit maakt de inzet in diverse soorten voertuigen mogelijk. Accubewaker functies zijn te programmeren en maken de inbouw en levering van extra accubewakers overbodig. Alle outputs van de interface zijn automatisch gezekerd en maken de inbouw van extra zekeringen overbodig. Tel uit je winst! - CAN-bus integratie
Via de chassis CAN-bus kunnen functies uit het voertuig gebruikt worden als voorwaarde voor de werking van een andere functie. Vb. De sirene van een politie voertuig gaat automatisch uit als de deur open gaat en bijv de parkeerrem is geactiveerd. Dit reduceert de bekabeling aanzienlijk, verhoogt de overzichtelijkheid van schema’s en minimaliseert storing. Maar bovenal vereenvoudigt de inbouw en verminderen de inbouw uren - Intelligente schakelingen en extra sensoren
Traditionele mechanische schakelingen worden vervangen door geïntegreerde logica. Hierdoor zijn complexe functies eenvoudig te programmeren en aan te passen. Door toepassing van extra sensoren als temperatuur, accu of RFID is aanvullende informatie beschikbaar en zijn vervolgacties programmeerbaar - Robuust ontwerp
De hardware is automotive gekeurd en is bestand tegen hoge temperatuurschommelingen en trillingen, waardoor de modules perfect geschikt zijn voor veeleisende toepassingen.
Snelle diagnose & service
Dankzij duidelijke klantspecifieke aansluitschema’s en documentatie kunnen technici storingen sneller lokaliseren en verhelpen

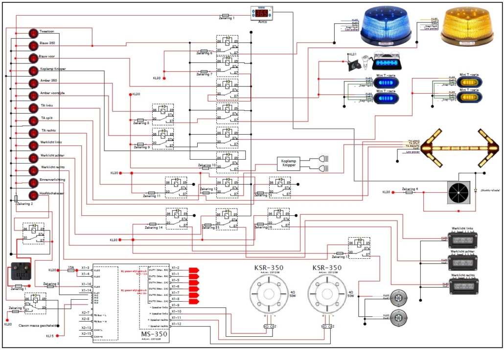
Bedienkast naar keuze
Interface
Tweetoon versterker
Dubbele speakers
Verbruikers op de outputs gekoppeld
Inputs op de interface

Bedieningsschakelaars
Tweetoon versterker
Relais om verbruikers en voorwaarden te schakelen
Dubbele speakers
Verbruikers
Links een voorbeeld schema uit de praktijk, waarbij de geprogrammeerde interface centraal geplaatst is en de verbruikers op de outputs aanstuurt. Alle gedragingen, onderlinge relaties en extra informatie worden door de inputs (bijv. analoog, CAN, LIN) en de software bepaald.
Een eenvoudig aan te sluiten schema wat veel inbouwtijd scheelt en overzicht geeft. Bovendien worden aansluit fouten geminimaliseerd en levert een betrouwbaar eindresultaat
Onder een conventioneel aansluitschema met toepassing van losse schakelaars en relais. Zoals te zien zal deze veel meer aansluitwerk vergen en door de veelheid aan componenten en kontakten gevoeliger voor storing.

